Дистанційний запуск двигуна BS 2015-107

Модератор: Dr.House

Дистанційний запуск двигуна BS 2015-107

Сообщение Nazarevych » Сб фев 02, 2019 21:50

Замовив собі оригінальний віддалений запуск двигуна згідно списку додаткового обладнання на американському сайті subaru.com
PART NUMBER: H001SAL101 LONG RANGE PUSH START REMOTE ENGINE START SYSTEM LEGACY / OUTBACK

s-l1600.jpg
s-l1600.jpg (23.85 КБ) Просмотров: 5998

Саме цей з додатковим ключем так як працює на відстані до 100м. Існують і інші варіанти, до 40 метрів.
З інструкції вказано що встановлюється в штатну проводку - фішка в фішку.

rse_install_wire.jpg
rse_install_wire.jpg (120.02 КБ) Просмотров: 5980

Проте це не так - у Європейця ці фішки відсутні!
  • 0

Nazarevych
 
Сообщения: 26
Зарегистрирован: Чт май 17, 2018 22:28
Репутация: 0

Re: Дистанційний запуск двигуна BS 2015-107

Сообщение Nazarevych » Вс фев 03, 2019 18:41

В порівняння схематика - "Bulkhead Wiring Harness" для обох варіантів USA та EU. А також чітко вказано коннектор "B180 - Remote engine start CM (with push button start)" використовується для підєднання блоку дистанційного запуску. Теж саме стосується схеми "CAN Communication System" на якій т акож відображений модуль для USA.

outback_harness_usa_eu_small.jpg
outback_harness_usa_eu_small.jpg (103.46 КБ) Просмотров: 5921

outback_can_bus_usa_eu.jpg
outback_can_bus_usa_eu.jpg (83.42 КБ) Просмотров: 5929

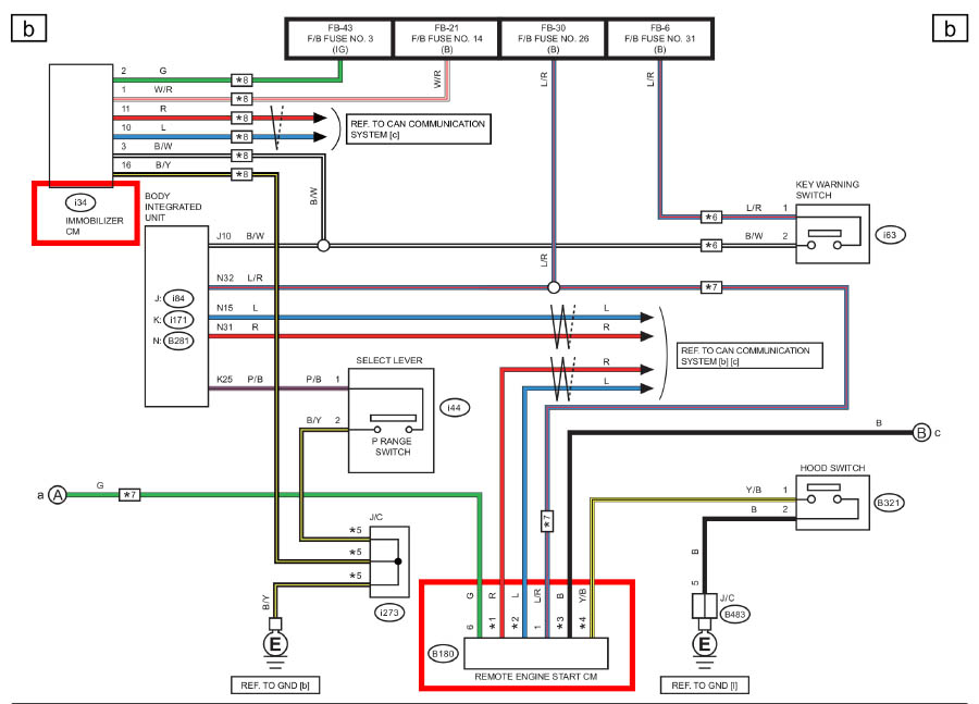
Також на схемі для USA відображено підключення модуля у відсутній у Європейця конектор B180. Та обведено червоним - важливий блок Іммобілайзера.
res_wire_diagram_ob2017_small.jpg
res_wire_diagram_ob2017_small.jpg (108.1 КБ) Просмотров: 5921
  • 0

Nazarevych
 
Сообщения: 26
Зарегистрирован: Чт май 17, 2018 22:28
Репутация: 0

Re: Дистанційний запуск двигуна BS 2015-107

Сообщение Nazarevych » Вс фев 03, 2019 20:29

Далі саме цікавіше! Примйнявши рішення, що раз коннектори відсутні - можна ставити в проводку як для прикладу сигналізацію. Повивчаючи схему - та розібравши машину - найоптимальнішим для підєднання було визначено блок з запобіжниками "PASSENGER FUSE BOX" куди в принципі сходяться усі силові лінії, та коннектор B60 - де присутній сигнал CAN. Сам блок виглядає наступним чином. Звісно не відєднавши його не можливо добратися далі до розєму B60. На колодках a, b містяться +B, IG, GND.

IMG_1928 (1).jpg
IMG_1928 (1).jpg (154.24 КБ) Просмотров: 5919

Ззаду блок місти ть ще 8 коннекторів які необхідно відєднати.
IMG_1930.jpg
IMG_1930.jpg (112.16 КБ) Просмотров: 5917

За ним буде красуватися B60
IMG_1931.jpg
IMG_1931.jpg (135.78 КБ) Просмотров: 5916
  • 0

Nazarevych
 
Сообщения: 26
Зарегистрирован: Чт май 17, 2018 22:28
Репутация: 0

Re: Дистанційний запуск двигуна BS 2015-107

Сообщение Nazarevych » Вс фев 03, 2019 20:51

Підєднання CAN L / CAN R сигналів можливе у 55 / 65 колодки. При чому зображення на схемі відповідає погляду на розєм спереді - дзеркальне.
Untitled-1.jpg
Untitled-1.jpg (70.32 КБ) Просмотров: 5914

Схема підключення блоку
h001sal101_install_wire_small.jpg
h001sal101_install_wire_small.jpg (83.79 КБ) Просмотров: 5914

Насправді все дуже примітивно. Фото підєднань не робилося. Все було вирішено підключати по тимчасовій схемі так як не відомо було чи він зможе прописатися.
registration.jpg
registration.jpg (85.69 КБ) Просмотров: 5909
  • 0

Nazarevych
 
Сообщения: 26
Зарегистрирован: Чт май 17, 2018 22:28
Репутация: 0

Re: Дистанційний запуск двигуна BS 2015-107

Сообщение Nazarevych » Вс фев 03, 2019 21:17

І тут повне фіаско! Використовуючи оригінальне ПО для Subaru вхід в меню Immobilizer - не доступний взагалі! Код помилки - цей блок відсутній в машині!
Для порівняння був використаний інший программатор Launch 4xx - з якго також не можливо зайти в налаштування імобілайзера.

Все стало не зрозумілим, та дещо закономірним.
1. Ці блоки H001SAL100 / H001SAL101 / H001SAL102 / H001SAL800 дистанційного запуску доступні та анонсуються лишень на сайтах штатів - Subaru USA.
2. В машині для EU - повністю відсутні усі коннектори - тобто проводка не підготовлена та ніби не передбачає їх встановлення.
3. Наслідуючи попередні пункти - заборонений чи дійсно відсутній блок іммобілайзера в автомобілі - згідно з оригінальною программою діагностики та программатором DENSO ST-i.

Відповідно виникли запитання:
Чому ця опція лишень для Штатів ?? були такі надії заводити авто вже цієї зими.
А що в європейця відсутній іммобілайзер?
Порившись в різних виробників здається це норма для Євросоюзу - заборона на розігрів без водія - відсутні опції як клас.

ПС. На руках залишився абсолютно новий модуль віддаленого запуску H001SAL101 LONG RANGE PUSH START REMOTE ENGINE START SYSTEM LEGACY / OUTBACK
Який 100% стане на американця - яких тут катається чимало.

Ціна купленого на AMAZON - складає 320$ https://www.amazon.com/gp/product/B07F9671QF/ref=ppx_yo_dt_b_asin_title_o06__o00_s00?ie=UTF8&psc=1
Кому цікаво - можем сторгуватися. Львівським допомогти з встановленням.
  • 0

Nazarevych
 
Сообщения: 26
Зарегистрирован: Чт май 17, 2018 22:28
Репутация: 0

Re: Дистанційний запуск двигуна BS 2015-107

Сообщение Ivar » Пн дек 16, 2019 18:40

Привет!
Продал уже?
  • 0

Ivar
 
Сообщения: 3
Зарегистрирован: Пн дек 16, 2019 18:39
Репутация: 0


Вернуться в Legacy & Outback

Кто сейчас на конференции

Сейчас этот форум просматривают: нет зарегистрированных пользователей и гости: 20